Stránka 4 z 5
Re: LED denné svietenie na cruze :)
Napsal: úte dub 23, 2013 19:53
od 8327
ahoj kluci je to vse krasny, ale o hovne ! ma uz nekdo odstraneny automaticky zapnuti svetel po nastartovani?jsem elektrikar ,ale
bez kaskady relatek a diod udelame hovno! je nekdo dal, ostranil jste nekdo jednoduse tu automatiku?
dejte zpravu dik milan
Re: LED denné svietenie na cruze :)
Napsal: úte dub 23, 2013 20:26
od slidil
No myslím že u Cruze to tak jednoduchý jak na Aveu nebude.
U Avea stačilo rozstřihnout dva dráty, ale u vás asi buďto přehrát soft. nebo něco podobnýho jako je na obrázku. ( popřípadě rozkuchat přepínač světel a proletovat tak aby poloha
O a poloha
auto byly propojené)
Re: LED denné svietenie na cruze :)
Napsal: úte dub 23, 2013 20:36
od pejee
Všechno by to mělo jít přes diagnostiku naprogramovat, takže může defakto svítit co chceš aby svítilo
Re: LED denné svietenie na cruze :)
Napsal: stř dub 24, 2013 13:06
od miltík
..jsem na tom stejně, nainstaloval jsem ledky a budu muset řešit se servisem vypnutí "automatiky"
Re: LED denné svietenie na cruze :)
Napsal: stř dub 24, 2013 14:37
od Scorpion.11
No to jsem velice zvědav jak pochodíš v servisu, ale spíše čítej s tým, že ti to neudělají, ale dej schválně vědět

Re: LED denné svietenie na cruze :)
Napsal: stř dub 24, 2013 15:30
od pejee
Proč by to neměli udělat? otázka 10 minut taková věc
Re: LED denné svietenie na cruze :)
Napsal: stř dub 24, 2013 16:12
od Scorpion.11
No na to musí být odborník i softwer s kterým to uděláš, ale pochybuji, že normální mechanik nemá možnost něco takového dělat

Re: LED denné svietenie na cruze :)
Napsal: pát kvě 03, 2013 20:50
od domco528
slidil píše:No myslím že u Cruze to tak jednoduchý jak na Aveu nebude.
U Avea stačilo rozstřihnout dva dráty, ale u vás asi buďto přehrát soft. nebo něco podobnýho jako je na obrázku. ( popřípadě rozkuchat přepínač světel a proletovat tak aby poloha
O a poloha
auto byly propojené)
DLR Cruze.png
Nazdar
Ja mam aveo 1,4 16V 74kw a neviem ako vypnut to denne svietenie....
Mohol by si mi prosimta povedat ktore dva draty to treba strihnut aby mi to stale nesvietilo ? Diky
Re: LED denné svietenie na cruze :)
Napsal: čtv kvě 09, 2013 09:10
od lomngi
Cruzaci POZOR.
Mám človeka ktorý dokáže vypnúť na CRUZOCH automatické zapínanie denného svietenia a umožní montáž led denných svetiel
Prípade záujmu kotaktujte ma cez SZ a zašlem tel kontakt na toho človeka.a môžete sa sním osobne dohodnúť.po dohode je ochotný namontovať aj zapojiť nové led svetlá.

Re: LED denné svietenie na cruze :)
Napsal: pát kvě 17, 2013 12:26
od ferry
Tak už zná někdo z Čech to tajemství vypnutí?
Re: LED denné svietenie na cruze :)
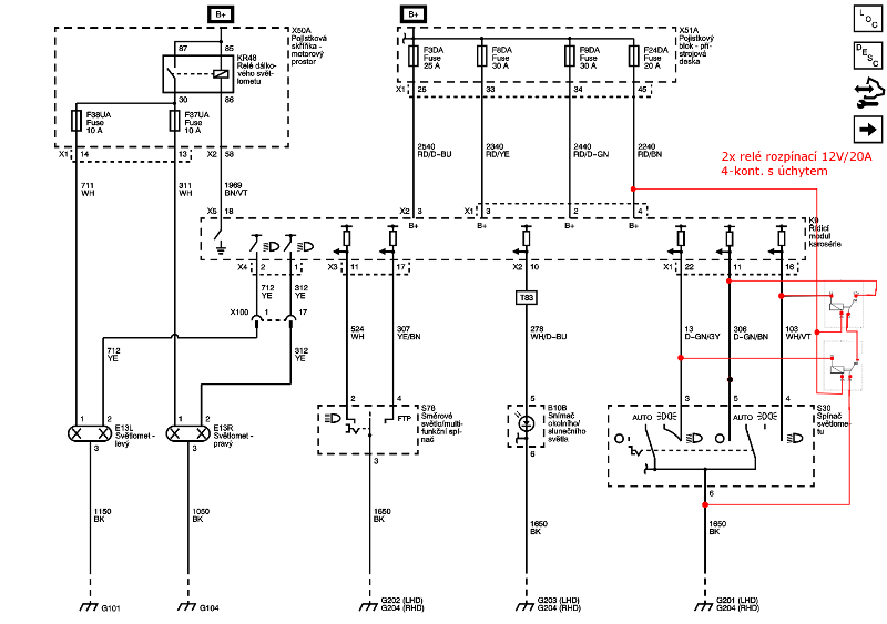
Napsal: pon kvě 20, 2013 15:53
od ta3s
slidile, co robi tato schema ?
Re: LED denné svietenie na cruze :)
Napsal: pon kvě 20, 2013 16:12
od 666
Teda kluci já se vás chci optat. Co vás vlastně vede k tomu, montovat LED denní svícení a vyřazovat automatiku? Už jezdím s cruzíkem 2 roky, /vlastně u Nubiry jsem si nechal namontovat automatiku již před 12 lety/nevšímám si ničeho a je to v pohodě. Jak budete řešit vjezd do tunelů atd. To honem budete zapínat světla ? Nebo vám to ušetří tolik benzínu? Nebo proč? Žárovky mám taky původní tak v tom to asi nebude

Re: LED denné svietenie na cruze :)
Napsal: pon kvě 20, 2013 17:06
od Scorpion.11
Jaroslave je to asi vše v jednom, ale s tým tunelem máš samozřejmě pravdu a asi spousta řidičů si to ani neuvědomí
Světla pro denní svícení zlepšují viditelnost vozidla zejména při jízdě proti slunci. Úspora elektrické energie a paliva, menší zatížení elektrické soustavy vozu a její opotřebování atd.
Re: LED denné svietenie na cruze :)
Napsal: pon kvě 20, 2013 17:15
od pejee
666: Co lidi vede dávat si led světla? tak se jim to líbí, taky se neptám co vede některé lidi prznit auta stylem tuning z benzinky a na kufru mít 3 prdele nálepek

a že těch tunelů u nás fakt je hodně

Re: LED denné svietenie na cruze :)
Napsal: pon kvě 20, 2013 18:13
od slidil
ta3s píše:slidile, co robi tato schema ?
Řekl bych že, pokud se rozsvítí LED, tak zároveň (po žlutém drátu) pošlou napětí na relé, které vypne automatiku svícení v autě, jako když máš přepínač světěl v poloze "0" Takže by mělo být jedno jestli jsou světla na "0" nebo ma "AUTO". Ostatní funguje normálně.
Ale je to jen moje doměnka, informoval bych se tam, odkud si stáhnul obrázek.