Tempomat
Moderátor: Blue Lanos
- Reklama
Re: Tempomat
Ja by som sa do toho nepustal. Tempomat v Leganze moc dobre nepracoval. Bol zalozeny na mechanockom principe. Vo firemnej Leganze ho mame a ked ho zapnem, tak je vacsia spotreba ako ked je vypnuty. Ked sa meni profil cesty, tak s autom neustale cuka a po case maju pasazieri morsku chorobu.zovi píše:Rada dá sa dorobiť a čo to stojí?
Chevrolet Evanda CDX 2.0, olivovostrieborná metalíza.
Predtým Daewoo Nubira I, Skoda 120 GLS
Predtým Daewoo Nubira I, Skoda 120 GLS
Re: Tempomat
ľudia, aké máte skúsenosti s tempomatom na Evande s odstupom času? Často cestujem a zvažujem nad dodatočnou montážou.
teraz: Daewoo Evanda 2.0 16V CDX, 1/2005 LPG BRC
ex: Daewoo Lanos 1.5, 8/2000 LPG Lovato
ex: Daewoo Lanos 1.5, 8/2000 LPG Lovato
Re: Tempomat
fonzie666 píše:ľudia, aké máte skúsenosti s tempomatom na Evande s odstupom času? Často cestujem a zvažujem nad dodatočnou montážou.
Super....po sedmi letech, si nedovedu predstavit,auto bez tempomatu.
Chevrolet Malibu LTZ 2.4 AT..06.2013 EX - Chevrolet Evanda CDX Sport03.2006
Re: Tempomat
Da sa dorobit. Ale radaj okolo 500€ za nove suciastky.zovi píše:Rada dá sa dorobiť a čo to stojí?
Vecer ti hodim komplet cennik co ti bude treba.
ex EVANDA, strieborná metalíza svetlá,
LPG BRC sequent 24
Automatické zapínanie svetiel, cúvacie senzory.
ex ESPERO strieborná metalíza.
ex ESPERO modrá metalíza.
DAEWOO MERCEDES McLAREN
LPG POZITIVE.
EGR NEGATIVE.
Diagnostika Autel Maxidiag univerzal.
LPG BRC sequent 24
Automatické zapínanie svetiel, cúvacie senzory.
ex ESPERO strieborná metalíza.
ex ESPERO modrá metalíza.
DAEWOO MERCEDES McLAREN
LPG POZITIVE.
EGR NEGATIVE.
Diagnostika Autel Maxidiag univerzal.
Re: Tempomat
Bolo by treba použiť nasledovné veci:
1. Volant - cca 200 EUR s DPH, bez volantu by sa dalo aj zaobisť, ale
napíšem Vám všetky diely, ktoré majú súvis s tempomatom
2. Spínač na volante - 13.08 EUR s DPH
3. Spojkový pedál - 60 EUR s DPH - bez výmeny pedálu by sa dalo zaobísť,
musel by sa uchytiť spínač tempomatu
4. Spínač tempomatu - 5.65 EUR s DPH
5. Výkonný člen tempomatu - 303.18 EUR s DPH
6. Kabeláž výkonného členu - 20 EUR s DPH
7. Hlavná kabeláž - cca 300 - 400 EUR - dalo by sa bez nej zaobísť.....
Čiže, najlacnejšie by sa to dalo urobiť kombináciou položiek 2,4,5,6 - spolu
by to bolo 341.91 EUR s DPH...
To je informacia od p. Hudeca (december 2012).
Tiez som nad tym uvazoval, nakoniec som sa vzdal tej myslienky. Hladal som aj z nejakej buranej Evandy, ale tych s tempomatom je problem najst.
Este k tomu bude treba asi vymenit aj hodiny, lebo tam by mala byt kontrolka Tempomatu.
Da sa mozno zaobist aj bez kontrolky v hodinach a pouzit tam volnu kontrolku ,,malo vody v ostrekovaci,,.
Schemy su v DVD Chevrolet munuali.
1. Volant - cca 200 EUR s DPH, bez volantu by sa dalo aj zaobisť, ale
napíšem Vám všetky diely, ktoré majú súvis s tempomatom
2. Spínač na volante - 13.08 EUR s DPH
3. Spojkový pedál - 60 EUR s DPH - bez výmeny pedálu by sa dalo zaobísť,
musel by sa uchytiť spínač tempomatu
4. Spínač tempomatu - 5.65 EUR s DPH
5. Výkonný člen tempomatu - 303.18 EUR s DPH
6. Kabeláž výkonného členu - 20 EUR s DPH
7. Hlavná kabeláž - cca 300 - 400 EUR - dalo by sa bez nej zaobísť.....
Čiže, najlacnejšie by sa to dalo urobiť kombináciou položiek 2,4,5,6 - spolu
by to bolo 341.91 EUR s DPH...
To je informacia od p. Hudeca (december 2012).
Tiez som nad tym uvazoval, nakoniec som sa vzdal tej myslienky. Hladal som aj z nejakej buranej Evandy, ale tych s tempomatom je problem najst.
Este k tomu bude treba asi vymenit aj hodiny, lebo tam by mala byt kontrolka Tempomatu.
Da sa mozno zaobist aj bez kontrolky v hodinach a pouzit tam volnu kontrolku ,,malo vody v ostrekovaci,,.
Schemy su v DVD Chevrolet munuali.
ex EVANDA, strieborná metalíza svetlá,
LPG BRC sequent 24
Automatické zapínanie svetiel, cúvacie senzory.
ex ESPERO strieborná metalíza.
ex ESPERO modrá metalíza.
DAEWOO MERCEDES McLAREN
LPG POZITIVE.
EGR NEGATIVE.
Diagnostika Autel Maxidiag univerzal.
LPG BRC sequent 24
Automatické zapínanie svetiel, cúvacie senzory.
ex ESPERO strieborná metalíza.
ex ESPERO modrá metalíza.
DAEWOO MERCEDES McLAREN
LPG POZITIVE.
EGR NEGATIVE.
Diagnostika Autel Maxidiag univerzal.
Re: Tempomat
no pri takejto sume a mojej situacii zostanem este asi verny mojej nohe ... 
teraz: Daewoo Evanda 2.0 16V CDX, 1/2005 LPG BRC
ex: Daewoo Lanos 1.5, 8/2000 LPG Lovato
ex: Daewoo Lanos 1.5, 8/2000 LPG Lovato
Re: Tempomat
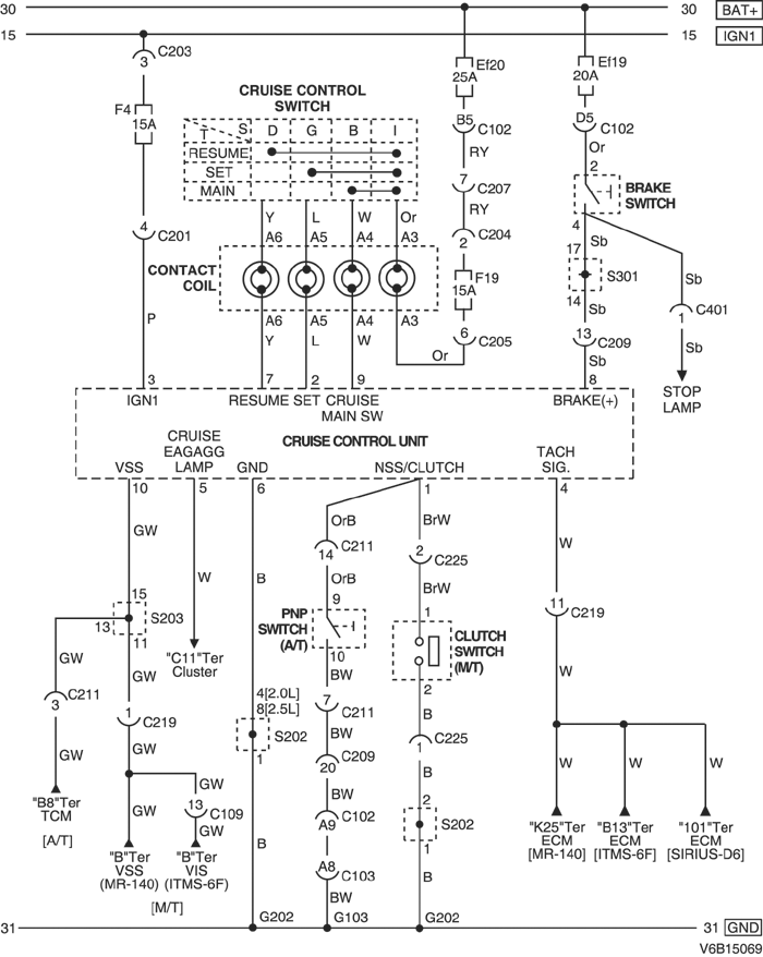
Schému máš tu.
Môžeš si nachystať káble a konektory, založiť ovládač na volant a spínač na spojku.
No a ak sa ti podarí pozháňať ten modul, tak ho len zapojíš na konektor a napojíš na plynové lanko.
Tiež rozmýšľam nad predprípravou s použitím položiek č. 2,4,6.
Položku č. 5 ak sa podarí pozháňať lacnejšie, tak ju tam len vložím.
Môžeš si nachystať káble a konektory, založiť ovládač na volant a spínač na spojku.
No a ak sa ti podarí pozháňať ten modul, tak ho len zapojíš na konektor a napojíš na plynové lanko.
Tiež rozmýšľam nad predprípravou s použitím položiek č. 2,4,6.
Položku č. 5 ak sa podarí pozháňať lacnejšie, tak ju tam len vložím.
ex EVANDA, strieborná metalíza svetlá,
LPG BRC sequent 24
Automatické zapínanie svetiel, cúvacie senzory.
ex ESPERO strieborná metalíza.
ex ESPERO modrá metalíza.
DAEWOO MERCEDES McLAREN
LPG POZITIVE.
EGR NEGATIVE.
Diagnostika Autel Maxidiag univerzal.
LPG BRC sequent 24
Automatické zapínanie svetiel, cúvacie senzory.
ex ESPERO strieborná metalíza.
ex ESPERO modrá metalíza.
DAEWOO MERCEDES McLAREN
LPG POZITIVE.
EGR NEGATIVE.
Diagnostika Autel Maxidiag univerzal.
Re: Tempomat
Jenže to bude asi tím, že ho máš pokažený, protože mě nic z toho, co píšeš, tempomat v Leganze nedělá!Cudro píše:Ja by som sa do toho nepustal. Tempomat v Leganze moc dobre nepracoval. Bol zalozeny na mechanockom principe. Vo firemnej Leganze ho mame a ked ho zapnem, tak je vacsia spotreba ako ked je vypnuty. Ked sa meni profil cesty, tak s autom neustale cuka a po case maju pasazieri morsku chorobu.zovi píše:Rada dá sa dorobiť a čo to stojí?
Faktem je, že u nás ho člověk opravdu užije asi jen na dálnicích, na okrskách to nestojí za to, ho zapínat. Já měl smůlu v tom, že když jsem si 2x pořídil dálniční známku na dovolenou (jednou u nás, jednou na Slovensku), tak poprvé jsem zjistil, že mi najednou nefunguje a podruhé jsem ho ještě nedal do pořádku. Přitom nakonec problém byl, jak mi tady většina radila, jen v brzdovém spínači za pár korun, po jehož výměně tempomat zase pracuje bez problémů, tj. snaží se držet rychlost bez jakéhokoliv náznaku cukání, a to ani když páčkou přidávám nebo ubírám rychlost. V každém případě jsem rád, že ho v autě mám, pravá noha občas potřebuje odpočinek.
• EX: Daewoo Leganza 2.0 CDX (12/2002) • černá metalíza • 16V 93kW (T20SED)
• Renault Clio III Grandtour 1.2 (07/2010) • červená • 16V 55kW (D4FD7)
• Renault Megane III Grandtour 1.6 (08/2015) • hnědá metalíza • 16V 81kW (K4MR8)
• Renault Clio III Grandtour 1.2 (07/2010) • červená • 16V 55kW (D4FD7)
• Renault Megane III Grandtour 1.6 (08/2015) • hnědá metalíza • 16V 81kW (K4MR8)
Re: Tempomat
Prajem dobrý večer.
Nedá mi neodpovedať.
Na mojej Nexii 8V mám nalietaných už 410 kkm. Pred dvomi rokmi som nainštaloval tempomat Waeco MS 50. Kúpil som ho na EBay v Nemecku za nejakých 100€. Je to elektronické servo, poháňané podtlakom zo sania. Akčný člen ťahá za lanko škrtiacej klapky sacej sústevy. Nemá to ovládanie na volante, ale len trojtlačitko na palubnú doskiu. Vypínanie je magnetickým kontaktom na spojkovom pedáli a mechanickým kontaktom na brzdovom pedáli. Používam to hlavne jazdou v obciach. Nastavím 52 km/h a nestarám sa o nič ďalšie. Drží to ako prikované. Doposiaľ ma nezaregistrovala žiadna policajná fotopuška. Chodím každý týždeň po R1 od Žiaru nad Hronom za Banskú Bystricu, až za Brezno. Každý týždeň tam striehnu zelení mužíci s mikrovlnkami a zatial nič. Na zobrazenie presnej rýchlosti mám doinštalovaný Waeco M-HUD display, ktorý premieta reálnu rýchlosť ne čelné sklo. Tieto dve drobnosti umožňujú presné nastavenie rýchlosti a jej dodržanie. Montáž je jednoduchá a účinnosť maximálne. Vložená investícia sa mi už viacnásobne vrátila. Jednoduché, spoľahlivé, efektívne.
S pozdravom
Karol
Nedá mi neodpovedať.
Na mojej Nexii 8V mám nalietaných už 410 kkm. Pred dvomi rokmi som nainštaloval tempomat Waeco MS 50. Kúpil som ho na EBay v Nemecku za nejakých 100€. Je to elektronické servo, poháňané podtlakom zo sania. Akčný člen ťahá za lanko škrtiacej klapky sacej sústevy. Nemá to ovládanie na volante, ale len trojtlačitko na palubnú doskiu. Vypínanie je magnetickým kontaktom na spojkovom pedáli a mechanickým kontaktom na brzdovom pedáli. Používam to hlavne jazdou v obciach. Nastavím 52 km/h a nestarám sa o nič ďalšie. Drží to ako prikované. Doposiaľ ma nezaregistrovala žiadna policajná fotopuška. Chodím každý týždeň po R1 od Žiaru nad Hronom za Banskú Bystricu, až za Brezno. Každý týždeň tam striehnu zelení mužíci s mikrovlnkami a zatial nič. Na zobrazenie presnej rýchlosti mám doinštalovaný Waeco M-HUD display, ktorý premieta reálnu rýchlosť ne čelné sklo. Tieto dve drobnosti umožňujú presné nastavenie rýchlosti a jej dodržanie. Montáž je jednoduchá a účinnosť maximálne. Vložená investícia sa mi už viacnásobne vrátila. Jednoduché, spoľahlivé, efektívne.
S pozdravom
Karol
Nexia GLE 8V parkovací asistent, M-HUD, tempomat, K&N filter, zatváranie okien s DO.