Led denne svietenie

Osvětlení, signalizace, audio, pojistky.

Moderátoři: Blue Lanos, Scorpion.11, lomngi

Odpovědět
Uživatelský avatar
frezzi
Příspěvky: 1576
Registrován: pon říj 08, 2012 17:10
Bydliště: Slovensko

Re: Led denne svietenie

Příspěvek od frezzi »

ako že to nefungovalo ?
Aveo 1.4 16V 69Kw, sedan Šedá Metalíza -
výbava : čím ďalej tým lepšia :D
Reklama
 

Uživatelský avatar
Boeing737
Příspěvky: 1883
Registrován: ned čer 10, 2012 02:27

Re: Led denne svietenie

Příspěvek od Boeing737 »

Auto som zobral do normálnej firmy-autoelektrikár.
Robia tam len elektriku a je ich tam asi päť elektrikárov.
Pozreli to dvaja a hneď sa zhodli,že to nebude fungovať. Nákres je ok a keď podľa plánu vyrobili ten okruh mimo auta,ako vzor,tak to fungovalo. Už to podobne riešili na Cruze,ale tam nakoniec celý systém auta obišli a namontovali externý ovládač svetiel. To znamená,že vodič musel po štarte zapnúť a vypnúť manuálne svetlá a potom sa podľa toho zapli DRL. Ak chcel používať aj diaľkové,tak prepol režim originálnym ovládačom. Proste účinné,ale archaické riešenie+plno káblov a zásahov.

Tak to proti ich rade aj tak napojili na moje auto a to čo fungovalo podľa plánu mimo auta,tak v aute nefungovalo. Svetlá sa sa síce konečne vypli,ale už sa nezapli na pokyn ovládača. Nedali sa zapnúť diaľkové svetlá+chybové hlásene 3,alebo 4 kódov.
Celé návšteva bola 40 eur,5 hodín,rozrezané káble a nedal sa otvoriť kufor. Potom sa po vymazaní chýb auto našťastie uzdravilo.
Nakoniec už okolo auta bolo plno elektrikárov,ako pri ťažkej operácii.

Jeden z nich si myslí,že podľa neho povel na ovládanie automatiky svetiel ide z olejové čerpadla.
Pri štarte sa natlačí olej a to je povel pre svetlá,že auto je v prevádzke a svetlá sa zapnú.
Považoval som to za blbosť,ale potom som o tom čítal na fórach a tuším na nemeckom chevy fóre o tom bola zmienka a tiež pri iných značkách.
Nejaký kábel pozriem pri olejovom čerpadle,alebo niečom čo tlačí,alebo natiahne olej pri štarte.
Chevrolet AVEO LT, 1.2 63kW,2012 Borocay Blue
...v koži od MAD, DRL, kamera ... a ešte nie je koniec :)
Uživatelský avatar
Boeing737
Příspěvky: 1883
Registrován: ned čer 10, 2012 02:27

Re: Led denne svietenie

Příspěvek od Boeing737 »

Tu sa píše o tom "oleji"

Ja das "liebe" Tagfahrlicht. Eigentlich eine Spritverschwendung im Sommer und unnötige Alterung der teuren H 4 Lampen. Ich habe gesucht und bin leider bei der Theorie stecken geblieben, weil ich dieses Relais nicht gefunden habe bzw. nicht heran gekommen bin. Das Auto ist für Selbstbastler total verbaut und weil ich nichts kaputt machen wollte bei dem Plastikarmaturenbrett habe ich es dabei belassen. Wer es sich trotzdem zumutet, das Relais sitzt rechts vom Radio hinter viel Plastik. Der Impuls kommt vom Öldruckschalter der dem Relais sagt das der Motor läuft und das Abblendlicht aktiviert. Man brauchte also nur den Stecker am Relais abziehen und das Tageslicht bliebe aus. Die Ölkontrollanzeige ist davon aber nicht betroffen, da das weiterführende Kabel vom Stecker abgeht und nicht vom Relais wie viele glauben. Der selbe Unfug ist beim Gebimmel wenn man den Schlüssel stecken läßt und die Tür öffnet was ja öfter vorkommt und der Anzeige wenn man sich vergisst anzuschnallen. Dieser Impuls kommt von einem Kontakt unter dem Fahrersitz. Noch ein Unfug der Ingenieure ist die Zwangseinschaltung der Klimaanlage wenn man die Lüftung auf Frontscheibe stellt. Die Elektronik beim Aveo und dem Vorgänger Kalos ist zum Teil überhaupt nicht durchdacht bzw. noch genau dieselbe geblieben. Man hat gegenüber dem Kalos nur die Karosserie etwas geändert und einen etwas moderneren Motor eingebaut. So gesehen kein neues Auto sondern nur ein etwas geänderter Kalos das sich jetzt Aveo nennt.


Impulz od tlaku oleja spínač relé hovorí, že je motor v chode a tlmených svetiel na. Takže stačí iba odstrániť konektor na relé a denné svetlo zostane vypnuté. Ukazovateľ oleja, ale nie je ovplyvnený, pretože sekundárný kábel vedúci k zástrčke, nie relé, ako sa mnohí domnievajú....
Chevrolet AVEO LT, 1.2 63kW,2012 Borocay Blue
...v koži od MAD, DRL, kamera ... a ešte nie je koniec :)
Uživatelský avatar
Boeing737
Příspěvky: 1883
Registrován: ned čer 10, 2012 02:27

Re: Led denne svietenie

Příspěvek od Boeing737 »

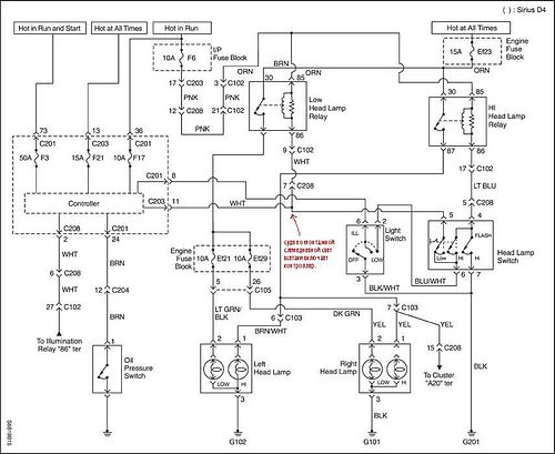
Na nemeckom fóre,som ešte našiel takéto schémy v sekcii DRL
Přílohy
1194675617_f.jpg
1194638794_f.jpg
1194636236_f.jpg
Chevrolet AVEO LT, 1.2 63kW,2012 Borocay Blue
...v koži od MAD, DRL, kamera ... a ešte nie je koniec :)
Uživatelský avatar
Boeing737
Příspěvky: 1883
Registrován: ned čer 10, 2012 02:27

Re: Led denne svietenie

Příspěvek od Boeing737 »

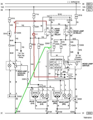
Ešte jedna ;)
Přílohy
1194675956_f.jpg
Chevrolet AVEO LT, 1.2 63kW,2012 Borocay Blue
...v koži od MAD, DRL, kamera ... a ešte nie je koniec :)
Uživatelský avatar
Boeing737
Příspěvky: 1883
Registrován: ned čer 10, 2012 02:27

Re: Led denne svietenie

Příspěvek od Boeing737 »

Tak možno som našiel riešenie!!!
Na Talianskom fóre má plno ľudí domontované denné svietenie a svetlá im nesvietia-majú to deaktivované. Taliansky neviem a keď použijem prekladač,tak sú to skomoleniny aj tak.
Tak som sa tam zaregistroval a napísal aj na ich stránku,tak dúfam,že mi niekto odpíše. Dosť veľa ľudí tam píše o nejakej "falošnej" poistke...

ciao..
allora come prima cosa tu sulla dlr hai, + e - che colleghi alla batteria.
poi su sw 12 che lo devi collegare a un sotto chiave, (io ho usato il segnale dell'accendi sigari, in quanto e' sotto chiave, pero' rimane in tensione finche non apri la porta, cosi in pratica, quando spegni l'auto le drl rimangono accese, appena apri la porta si spengono! figo no?)
un filo che devi collegare al positivo della freccia (io lo preso dalla freccia lato guidatore perche' passa proprio sopra la scatola fusibili nel vano motore), questo si serve per farle accendere all'apertura dell'auto.
l'ultimo filo lo colleghi al positivo delle luci di posizione in quanto quando accendi le posizione il codice della strada impone che le luci diurne si spengano..
poi colleghi i finti fusibili nella scatola fusibili al posto degli abbaglinati, ti allego la foto cosi capisci.. cmq andrea ti manda lo schema cosi' capisci meglio..
Přílohy
img_0410.jpg
Chevrolet AVEO LT, 1.2 63kW,2012 Borocay Blue
...v koži od MAD, DRL, kamera ... a ešte nie je koniec :)
Uživatelský avatar
Scorpion.11
Příspěvky: 6284
Registrován: úte kvě 19, 2009 14:36
Bydliště: Městys Jedovnice

Re: Led denne svietenie

Příspěvek od Scorpion.11 »

Kód: Vybrat vše

Dobrý den..

pak první, co vás na dlr hai, + a vstup na bicí.

pak na 12 sw, který je třeba připojit k pod zámkem, (jsem použil signál zapalovač, protože je to pod zámek a klíč, ale zůstává pod napětí, dokud neotevřete dveře, takže v praxi, když vypnout auto drl svítit, jen otevřít dveře od! cool ne?)

vlákno je třeba připojit pozitivní šipky (mám to ze strany řidiče protože šipka projde přímo nad pojistkové skříni v motorovém prostoru), toto slouží zapnout do otvor automobilu.

poslední nit pánové pozitivním zadní světla, protože když zapnete umístění silničního diktuje, že denní světla jít pryč.

pak připojte pojistky v pojistkové skříni pro zábavu místo abbaglinati, přikládám obrázek tak pochopit... CMQ andrea vám pošle schéma takže chápeš, že to lépe...
Máš to těžké s tým denním svícení a toho času co jsi už nad tím strávil, takže doufejme, že se ti to pořadí rozchodit.

Držím palce -i :PP:
AVEO, 1.4 SEDAN STAR, 69KW, r.v 2008, koupeno (5/2009)

člen AVEO Fanclubu
Uživatelský avatar
Boeing737
Příspěvky: 1883
Registrován: ned čer 10, 2012 02:27

Re: Led denne svietenie

Příspěvek od Boeing737 »

Diky,ale prekladač som použil aj ja,ale nie je súvislosť medzi vetami.
Čas to áno,ale najviac ma štve,že neviem nad tým vyhrať :((
Chevrolet AVEO LT, 1.2 63kW,2012 Borocay Blue
...v koži od MAD, DRL, kamera ... a ešte nie je koniec :)
Uživatelský avatar
Boeing737
Příspěvky: 1883
Registrován: ned čer 10, 2012 02:27

Re: Led denne svietenie

Příspěvek od Boeing737 »

Pozriem ešte ten olejový systém,len musím nájsť to čerpadlo,alebo niečo podobné :)))
Chevrolet AVEO LT, 1.2 63kW,2012 Borocay Blue
...v koži od MAD, DRL, kamera ... a ešte nie je koniec :)
Uživatelský avatar
Boeing737
Příspěvky: 1883
Registrován: ned čer 10, 2012 02:27

Re: Led denne svietenie

Příspěvek od Boeing737 »

Scorpion.11 píše:

Kód: Vybrat vše

Dobrý den..

pak první, co vás na dlr hai, + a vstup na bicí.

pak na 12 sw, který je třeba připojit k pod zámkem, (jsem použil signál zapalovač, protože je to pod zámek a klíč, ale zůstává pod napětí, dokud neotevřete dveře, takže v praxi, když vypnout auto drl svítit, jen otevřít dveře od! cool ne?)

vlákno je třeba připojit pozitivní šipky (mám to ze strany řidiče protože šipka projde přímo nad pojistkové skříni v motorovém prostoru), toto slouží zapnout do otvor automobilu.

poslední nit pánové pozitivním zadní světla, protože když zapnete umístění silničního diktuje, že denní světla jít pryč.

pak připojte pojistky v pojistkové skříni pro zábavu místo abbaglinati, přikládám obrázek tak pochopit... CMQ andrea vám pošle schéma takže chápeš, že to lépe...
Máš to těžké s tým denním svícení a toho času co jsi už nad tím strávil, takže doufejme, že se ti to pořadí rozchodit.

Držím palce -i :PP:

Ten Talian to myslel nejako takto,ale....
Přílohy
wp000402b.jpg
Chevrolet AVEO LT, 1.2 63kW,2012 Borocay Blue
...v koži od MAD, DRL, kamera ... a ešte nie je koniec :)
Uživatelský avatar
frezzi
Příspěvky: 1576
Registrován: pon říj 08, 2012 17:10
Bydliště: Slovensko

Re: Led denne svietenie

Příspěvek od frezzi »

chcelo by to aj vysvetlenie :PP:
Aveo 1.4 16V 69Kw, sedan Šedá Metalíza -
výbava : čím ďalej tým lepšia :D
Uživatelský avatar
Scorpion.11
Příspěvky: 6284
Registrován: úte kvě 19, 2009 14:36
Bydliště: Městys Jedovnice

Re: Led denne svietenie

Příspěvek od Scorpion.11 »

Tak já to mám též zapojené přes tuto skříňku :lol: :PP:
AVEO, 1.4 SEDAN STAR, 69KW, r.v 2008, koupeno (5/2009)

člen AVEO Fanclubu
Uživatelský avatar
Boeing737
Příspěvky: 1883
Registrován: ned čer 10, 2012 02:27

Re: Led denne svietenie

Příspěvek od Boeing737 »

frezzi píše:chcelo by to aj vysvetlenie :PP:

No veď to,ale už som blízko!
Napísal som trom z toho talianského fóra,ktorý to majú vypnuté. V Taliansku sú na tom biedne s AJ,tak uvidíme.
Taliansky neviem.
Nepijem,ale ožeriem sa,keď to vyrieším :)
Chevrolet AVEO LT, 1.2 63kW,2012 Borocay Blue
...v koži od MAD, DRL, kamera ... a ešte nie je koniec :)
Uživatelský avatar
Boeing737
Příspěvky: 1883
Registrován: ned čer 10, 2012 02:27

Re: Led denne svietenie

Příspěvek od Boeing737 »

Zajtra ukostrím PIN 11 na konektore X 1 BCM.
Skúsim to BCM niekde najprv nájsť. Pod palubovkou asi nebude,tak niekde pod rádiom oproti riadiacej páke asi...

Keď nepomôže,tak sledujte sekciu bazár....darujem Chevy Aveo T300, lebo mi zobralo 10 rokov zo života :lol:
Chevrolet AVEO LT, 1.2 63kW,2012 Borocay Blue
...v koži od MAD, DRL, kamera ... a ešte nie je koniec :)
Uživatelský avatar
Boeing737
Příspěvky: 1883
Registrován: ned čer 10, 2012 02:27

Re: Led denne svietenie

Příspěvek od Boeing737 »

TOTO NESEDÍ,POSLALI MI ZLÝ ZOZNAM!



:evil: Pozeral som schému,ale podľa nej to nebude X1,ale PIN 11 na X2!!! Na PIN 17 je light OFF,tak to by som asi odstavil svetlá úplne a kábel je tmavý,zelený.
Kábel čierny je DRL na X2 PIN 11,tak možno preto som ho nenašiel,lebo som hľadal hnedý/zelený. Čierny je pri konektore do svetiel,tak možno nemusím rozoberať,ale stačí to ukostriť tam?

BCM X1 Wiring Connector:

Pin 1 - Not Used
Pin 2 - White - Ignition Key Resistor Low Reference
Pin 3 - Grey - Cruise Control Switch Signal
Pin 4 - White / Black Stripe - Ignition Key Resistor Signal
Pin 5 - Light Green - Windshield Wiper Switch High Signal
Pin 6 - Not Used
Pin 7 - Not Used
Pin 8 - Black / White Stripe - Wiper Switch Low Reference
Pin 9 - Light Blue - Windshield Wiper Switch Low Signal
Pin 10 - Not Used
Pin 11 - Not Used
Pin 12 - Not Used
Pin 13 - Not Used
Pin 14 - Pink - Run / Crank Voltage
Pin 15 - Light Blue / White - Left Turn Signal Switch Signal
Pin 16 - Dark Blue / White - Right Turn Signal Switch Signal
Pin 17 - Purple - Remote Radio Control Supply Voltage
Pin 18 - Purple / Yellow - Headlamp Dimmer Switch High Beam Signal
Pin 19 - Not Used
Pin 20 - Purple / Red - Transmission Electronic Range Select Signal
Pin 21 - Brown - Ignition 1 Voltage
Pin 22 - Not Used
Pin 23 - Yellow - Left Tail Lamp Monitoring (HSV)
Pin 24 - Orange - Windshield Washer Switch Signal
Pin 25 - Brown / Red - Flash To Pass Switch Signal

BCM X2 Wiring Connector

Pin 1 - Orange - Inadvertent Power Supply Voltage
Pin 2 - Orange / Blue - Battery Positive Voltage
Pin 3 - Grey - Instrument Panel Lamp Supply Voltage
Pin 4 - Not used
Pin 5 - Dark Blue / White - Courtesy Lamp Supply Voltage
Pin 6 - Not Used
Pin 7 - Not Used
Pin 8 - Brown / White - Park Lamp Switch On Signal
Pin 9 - Not Used
Pin 10 - Dark Blue - Rear Compartment Relay Switch
Pin 11 -Light Green / Black - DRL Ambient Light Sensor Signal\
Pin 12 - White - Headlamp Switch Headlamps On Signal
Pin 13 - Not Used
Pin 14 - Not Used
Pin 15 - Not Used
Pin 16 - Not Used
Pin 17 - Dark Green - Headlamp Switch Headlamps Off Signal
Pin 18 - Pink / Black - Courtesy Lamps Switch Signal
Pin 19 - Not Used
Pin 20 - Light Blue - Tow/Haul Switch Signal
Pin 21 - Brown / Orange - Traction Control Switch Signal
Pin 22 - Dark Green / White - A/T Shift Lock Control Solenoid Supply Voltage
Pin 23 - Not Used
Pin 24 - Not Used
Pin 25 - Purple - Interior Lamp Switch Signal

BCM X3 Wiring Connector

Pin 1 - Black - Ground
Pin 2 - Orange / Yellow - Battery + Voltage
Pin 3 - Orange / Red - Battery + Voltage
Pin 4 - Not Used
Pin 5 - Black - Ground
Pin 6 - Not Used
Pin 7 - Grey - Security Indicator Control
Pin 8 - Brown / Black - High Speed Lan Serial Bus +
Pin 9 - Brown - High Speed Lan Serial Bus -
Pin 10 - Dark Green - Low Speed GM Lan Serial Data
Pin 11 - Not Used
Pin 12 - Not Used
Pin 13 - Light Green - Stop Lamp Switch Signal
Pin 14 - Brown / Red - Low Reference
Pin 15 - Grey - 5V Reference
Pin 16 - Brown / Black - High Speed Lan Serial Bus +
Pin 17 - Brown - High Speed Lan Serial Bus -
Pin 18 - Yellow - LED Backlight Dimming Control
Pin 19 - Purple / White - Communication Enable Relay Control
Pin 20 - Not Used
Pin 21 - Orange - Fog Lamps Switch
Pin 22 - Not Used
Pin 23 - Not Used
Pin 24 - Not Used
Pin 25 - Purple / White - RPA Switch LED Dimming Control

BCM X4 Wiring Connector

Pin 1 - Orange / Red - Battery + Voltage
Pin 2 - Orange - Battery + Voltage
Pin 3 - Orange / Purple - Battery + Voltage
Pin 4 - Orange / Purple - Battery + Voltage
Pin 5 - Dark Blue /White - Right hand side turn signal supply voltage
Pin 6 - Not Used
Pin 7 - Yellow - Windscreen Wiper Motor Park Switch Signal
Pin 8 - Not Used
Pin 9 - Black - Ground
Pin 10 - Orange / Blue - Battery + Voltage
Pin 11 - Dark Green / White - Fog Lamps Relay Control
Pin 12 - Not Used
Pin 13 - Not Used
Pin 14 - Orange - Outside Moisture Sensor Signal 2
Pin 15 - Orange - Washer fluid pump relay control
Pin 16 - Brown / Yellow - Headlamp High Beam Relay Control
Pin 17 - Pink / Black - Hood Ajar Switch Signal
Pin 18 - Brown - Outside Moisture Sensor Signal 1
Pin 19 - Dark Blue - Accessory Wakeup Serial Data
Pin 20 - Not Used
Pin 21 - Pink - Run / Crank Control
Pin 22 - Brown - Boot Release Relay Control
Pin 23 - Not Used
Pin 24 - Dark Green - Backup Lamp Relay Control
Pin 25 - Not Used

BCM X5 Wiring Connector

Pin 1 - Yellow / Black - Left Rear Turn Signal Lamp Supply Voltage
Pin 2 - Dark Green / White - Right Rear Turn Signal Lamp Supply Voltage
Pin 3 - Not Used
Pin 4 - Light Blue / White - Left Front Turn Signal Lamp Supply Voltage
Pin 5 - Brown - Puddle Lamp Supply Voltage
Pin 6 - White / Blue - Stop Lamps Switch Signal
Pin 7 - Not Used
Pin 8 - Pink - 5V Reference
Pin 9 - White / Green - Batery Current Signal
Pin 10 - Brown - Low Reference
Pin 11 - Yellow - RAP Relay Coil Supply Voltage
Pin 12 - Not Used
Pin 13 - Not Used
Pin 14 - Yellow - Accessory Power Relay Control
Pin 15 - Purple - Bonnet Closed Switch Signal
Pin 16 - Orange / Black - Park Brake Switch Signal
Pin 17 - Purple - Rear Taillight Monitoring (HSV)
Pin 18 - Brown - Horn Relay Control
Pin 19 - Not Used
Pin 20 - Grey - Windsheild Wiper Switch Signal 2
Pin 21 - Brown / Red - Front Widsheild Wiper Switch High Signal
Pin 22 - Not Used
Pin 23 - Pink / White - Headlamp Low Beam Relay Control
Pin 24 - White / Yellow - Park Lamp Relay Control
Pin 25 - Not Used

BCM X6 Wiring Connector

Pin 1 - Not Used
Pin 2 - Light Blue - Stop Lamp Supply Voltage
Pin 3 - Not Used
Pin 4 - Not Used
Pin 5 - Not Used
Pin 6 - Not Used
Pin 7 - Not Used
Pin 8 - Brown / White - Passenger Door Ajar Switch
Pin 9 - Not Used
Pin 10 - Grey / Black - Drivers Door Ajar Switch
Pin 11 - Not Used
Pin 12 - Not Used
Pin 13 - Not Used
Pin 14 - Not Used
Pin 15 - Not Used
Pin 16 - Not Used
Pin 17 - Not Used
Pin 18 - Not Used
Pin 19 - Not Used
Pin 20 - Pink - Drivers Door lock switch unlock signal
Pin 21 - Not Used
Pin 22 - Orange / Black - Liftgate Ajar Switch Signal
Pin 23 - Pink / Black - Drivers Door Lock Switch lock signal
Pin 24 - Not Used
Pin 25 - Not Used

BCM X7 Wiring Connector

Pin 1 - Not Used
Pin 2 - White - Headlamp Washer Relay Control
Pin 3 - Not Used
Pin 4 - Not Used
Pin 5 - Not Used
Pin 6 - Light Blue - Door Unlock Supply Voltage
Pin 7 - Dark Blue / White - Door Lock Control
Pin 8 - Not Used
Pin 9 - White - Door Unlock Control
Pin 10 - Grey / Blue - Headlamp Dimming Switch Up
Pin 11 - Brown / Black - Power Door Unlock Fuse Supply Voltage
Pin 12 - Grey / Black - Power Door Lock Fuse Supply Voltage
Pin 13 - Not Used
Pin 14 - Not Used
Pin 15 - Not Used
Pin 16 - Light Blue - Fog Lamp Switch Output Rear
Pin 17 - Not Used
Pin 18 - Not Used
Pin 19 - Not Used
Pin 20 - Not Used
Pin 21 - Not Used
Pin 22 - Not Used
Pin 23 - Grey / White - Headlamp Dimming Switch Down
Pin 24 - Not Used
Pin 25 - Not Used
Pin 26 - Not Used
Pin 27 - Not Used
Pin 28 - Not Used
Přílohy
2015-02-26 13.44.19.jpg
2015-02-26 13.41.33.jpg
Naposledy upravil(a) Boeing737 dne úte bře 03, 2015 16:11, celkem upraveno 1 x.
Chevrolet AVEO LT, 1.2 63kW,2012 Borocay Blue
...v koži od MAD, DRL, kamera ... a ešte nie je koniec :)
Odpovědět

Zpět na „Aveo - Elektronika“