Zrušenie automatického rozsvecovania svetiel.

Osvětlení, signalizace, audio, pojistky.

Moderátoři: Blue Lanos, Scorpion.11, lomngi

Odpovědět
Servisman
Příspěvky: 79
Registrován: úte úno 10, 2009 22:41
Bydliště: Bratislava

Zrušenie automatického rozsvecovania svetiel.

Příspěvek od Servisman »

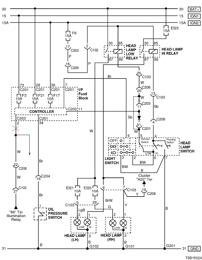
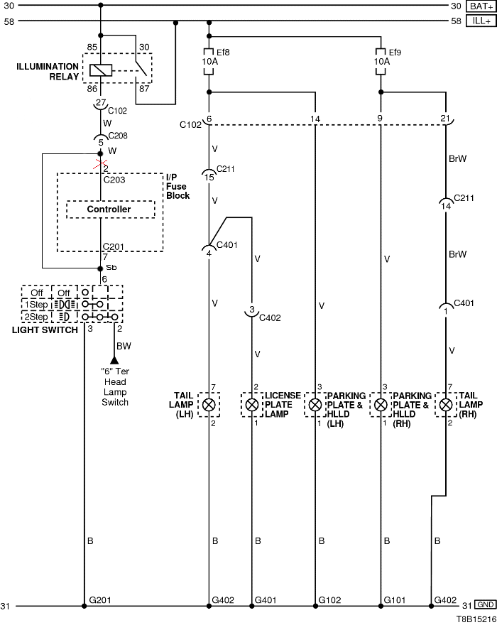
Mám Aveo sedan 2010 a chcem namontovať denné svietenie ale voz sám po štarte zapína svetlá.Previedol som túto úpravu a dokreslil som ju do schém.Nasledovať bude montáž LED denného svietenia a modulu na automatické rozsvecovanie svetiel http://www.jb-tuning.sk/Svetelny-senzor ... ab=comment .
Přílohy
T8B1P025.png
T8B15216.png
T8B15024.png
Chevrolet Orlando 1,8 16V 104KW r.v.2012
Chevrolet Aveo 1,2 16V 62KW r.v.2010 predané
Daewoo Espero 1,5 16V 66KW r.v.1996 predané
Škoda Felícia 1,3 50KW LPG post mortem
Škoda 105 LS 37KW post mortem
Reklama
 

Servisman
Příspěvky: 79
Registrován: úte úno 10, 2009 22:41
Bydliště: Bratislava

Re: Zrušenie automatického rozsvecovania svetiel.

Příspěvek od Servisman »

Tu sú fotky z realizovanej úpravy.
Přílohy
P1010007.JPG
P1010004.JPG
Chevrolet Orlando 1,8 16V 104KW r.v.2012
Chevrolet Aveo 1,2 16V 62KW r.v.2010 predané
Daewoo Espero 1,5 16V 66KW r.v.1996 predané
Škoda Felícia 1,3 50KW LPG post mortem
Škoda 105 LS 37KW post mortem
Uživatelský avatar
Scorpion.11
Příspěvky: 6277
Registrován: úte kvě 19, 2009 14:36
Bydliště: Městys Jedovnice

Re: Zrušenie automatického rozsvecovania svetiel.

Příspěvek od Scorpion.11 »

Tak to jsem zvědav zdali se ti to podaří -i :PP:
AVEO, 1.4 SEDAN STAR, 69KW, r.v 2008, koupeno (5/2009)

člen AVEO Fanclubu
Uživatelský avatar
frezzi
Příspěvky: 1576
Registrován: pon říj 08, 2012 17:10
Bydliště: Slovensko

Re: Zrušenie automatického rozsvecovania svetiel.

Příspěvek od frezzi »

Tak na toto som zvedavy aj jaa veeelmi ci to bude fungovat, a ked bude a uvidi to Boeing tak to este len bude :D
Aveo 1.4 16V 69Kw, sedan Šedá Metalíza -
výbava : čím ďalej tým lepšia :D
Uživatelský avatar
Boeing737
Příspěvky: 1883
Registrován: ned čer 10, 2012 02:27

Re: Zrušenie automatického rozsvecovania svetiel.

Příspěvek od Boeing737 »

Držím palce!
Potom vyskúšam na T300 :lol:
Chevrolet AVEO LT, 1.2 63kW,2012 Borocay Blue
...v koži od MAD, DRL, kamera ... a ešte nie je koniec :)
Odpovědět

Zpět na „Aveo - Elektronika“